0.0.1 ↑ 66. Hausaufgabe
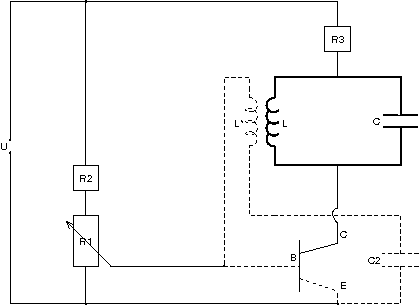
0.0.1.1 ↑ Gesamtgemäldeteil: Rückkopplungsschaltung nach Meißner
In der Realität sind elektromagnetische Schwingungen, wie sie durch Schwingkreise erzeugt werden können, immer gedämpft: Alle Kabel weisen einen kleinen, aber von Null verschiedenen OHMschen Widerstand auf, und auch Kondensator und Spule sind nicht frei von Randeffekten.
Möchte man trotzdem ungedämpfte elektromagnetische Schwingungen erzeugen, so kann man sich einer Rückkopplungsschaltung bedienen. Um die Dämpfung auszugleichen fügt eine Rückkopplungsschaltung dem schwingenden System Energie zu.
Bei der praktischen Umsetzung der Idee der Rückkopplungsschaltung sind jedoch einige Probleme zu beachten, welche anhand der Rückkopplungsschaltung nach Meißner erläutert werden sollen.

Diese Schaltung sieht auf den ersten Blick ziemlich unübersichtlich aus. Erst nach näherer Betrachtung wird die Bedeutung der einzelnen Teilelemente der Schaltung klar:
Das zugrundeliegende Prinzip ist, in den richtigen Momenten dem Schwingkreis (fett) Energie zuzuführen. Die Energie wird mittels Gleichstrom der Gleichspannungsquelle (mitte links) übertragen.
Betrachtet man ein Q(t)- oder I(t)-Diagramm des Schwingkreises, so wird man eine Deformierung gegenüber dem Sinus feststellen: In den Momenten der Energiezufuhr steigt der Graph wesentlich steiler an.

Aus Bequemlichkeitsgründen möchte man eine Gleichspannungsquelle anstatt einer Wechselspannungsquelle zur Energiezufuhr verwenden.
Würde man eine Wechselspannungsquelle verwenden, könnte man die Schaltung vereinfachen: Man würde einfach als Wechselspannungsfrequenz f die Eigenfrequenz des Schwingkreises f_0 hernehmen und Spannungsquelle und Schwingkreis permanent miteinander verbinden.
Schnell würde sich die für die Energieübertragung optimale Phasenverschiebung von \frac{\pi}{2} einstellen; somit könnte also permanent Energie zugeführt werden.
In der Praxis treten allerdings mehrere Probleme mit diesem Vorgehen auf, weswegen man eine Gleichspannungsquelle als Energielieferant bevorzugt:
Zum einen möchte man gerne Schwingungen unterschiedlicher Frequenz erzeugen. Damit die Energieübertragung von Spannungsquelle zu Schwingkreis maximal bliebe, müsste man bei Änderung der Eigenfrequenz des Schwingkreises auch die Wechselspannungsfrequenz der Spannungsquelle ändern.
Zum anderen ist es technisch sehr schwierig, Spannungsquellen sehr hoher Wechselspannungsfrequenzen herzustellen – während z.B. ein Schwingkreis der Eigenfrequenz 120 \,\mathrm{MHz} einfach zu realisieren ist (passende Kondensatoren und Spulen vorausgesetzt), ist es sehr schwierig, eine passende Spannungsquelle zu finden.
Bei heutigen Hochfrequenzwechselspannungsquellen gibt es außerdem das Problem, dass die Frequenz nicht so exakt einstellbar ist, wie man es gerne hätte; folglich könnte man die Energieübertragung nicht maximieren, da man die Frequenz der Spannungsquelle f nicht exakt an die Eigenfrequenz des Schwingkreises f_0 angleichen könnte.
Schließlich sind Gleichspannungsquellen sehr viel billiger als Wechselspannungsquellen.
Nutzt man also eine Gleichspannungsquelle als Energielieferant, so kann man nicht naiv vorgehen und einfach die Spannungsquelle mit dem Schwingkreis leitend verbinden:
Da die Spannung der Gleichspannungsquelle die Hälfte der Zeit lang immer entgegengesetzt zur Schwingkreisspannung gepolt ist, würde eine leitende Verbindung die Schwingung die Hälfte der Zeit lang abschwächen, anstatt sie zu verstärken.
Stattdessen nutzt man eine zweite Spule (gestrichelt), um das Problem der zeitlichen Koordinierung in den Griff zu bekommen.
Der Strom durch die Spule des Schwingkreises erzeugt ein Magnetfeld. Mit der Änderung der Stromstärke geht nun eine Änderung des Magnetfelds – ein \dot \phi – einher.
Adjazent zur Spule des Schwingkreises befindet sich die zweite Spule L^*, in der durch die Änderung des magnetischen Flusses – \dot \phi – eine Spannung induziert wird.
Also wird das Signal "jetzt bitte Energie schicken, danke" übers Magnetfeld an die zweite Spule übermittelt. Natürlich kostet diese Singalübermittlung Energie – aber das bisschen Energie, welches durch die Übermittlung verloren geht, steht in keinem Verhältnis zur Energie, die dem Schwingkreis daraufhin durch die Gleichspannungsquelle zugeführt wird.
Die Kombination aus Spulenpaar und Transistor zur Verstärkung löst zum einen das schon angesprochene Problem, dass man die Wechselspannungsfrequenz f der Spannungsquelle an die Eigenfrequenz des Schwingkreises f_0 anpassen müsste.
Außerdem ist die Phasenverschiebung von vornherein optimiert, das System muss sich nicht erst einschwingen. Dies hat den Grund, dass die Spule nicht proportional zum magnetischen Fluss \phi, sondern zur Änderung des magnetischen Flusses \dot \phi reagiert:
Ist \phi beispielsweise proportional zu \sin \omega t, so ist \dot \phi proportional zu \cos \omega t. Die Phasenverschiebung zwischen Sinus und Kosinus beträgt nun gerade – wie gewünscht – \frac{\pi}{2}.
Bei entsprechender Eingangsspannung (Kennlinie!) verstärkt der Transistor den Strom (Kollektor–Emitter-Kreis); somit wird dem Schwingkreis Energie zugeführt, das Grundprinzip ist erklärt. Es bleiben aber noch einige weitere Fragen:
"Wozu benötigt man den Kondensator C_2 im Basis–Emitter-Stromkreis (gestrichelt)?"
Der Kondensator als ein elastisches Element lässt bekanntlich nur Wechselstrom durch; für Gleichstrom ist der Kondensator ein Nichtleiter. Formal kann dies mittels der Formel für den Kondensatorwiderstand gezeigt werden:
R_C = \frac{1}{\omega C};
Demzufolge ist der Widerstand für hochfrequenten Wechselstrom (großes \omega) gering und für Gleichstrom (\omega \to 0 \frac{1}{\mathrm{s}}) sehr hoch.
Durch diese Blockierung von Gleichstrom wird ein sonst auftretender Kurzschluss verhindert: Der Strom würde (größtenteils) von der Spannungsquelle in den Basis–Emitter-Stromkreis und wieder zurück fließen. Durch den Kondensator, der bei Gleichstrom als ein sehr großer Widerstand wirkt, wird dieses Problem sehr elegant gelöst.
"Welchen Zweck haben die beiden OHMschen Widerstände R_1 und R_2?"
R_1 und R_2 vermindern die am Transistor anliegende Spannung. Damit wird versucht, den Arbeitspunkt des Transistors zu erreichen – den Punkt, an dem die Transistorreaktion am größten ausfällt.
"Wozu benötigt man den Widerstand R_3?"
R_3 benötigt man nur aus praktischen Überlegungen: Die am Schwingkreis anliegende Spannung wird mittels R_3 reduziert – möglicherweise sind 12 \,\mathrm{V}-Batterien billiger als 11 \,\mathrm{V}-Batterien, der Schwingkreis soll aber gerade mit 11 \,\mathrm{V} betrieben werden.
Außerdem ist noch ungeklärt, welche Polung die verschiedenen Bestandteile der Schaltung aufweisen müssen. Diese Frage ist aber – trotz ihrer offensichtlichen Praxisrelevanz – für uns nicht weiter wichtig. Das zugrundeliegende Prinzip, um dessen Verstehen wir uns bemühen, ist nicht von einer bestimmten Polung abhängig.
Siehe auch:
Metzler, S. 278
http://de.wikipedia.org/wiki/R%C3%BCckkopplunghttp://de.wikipedia.org/wiki/Meissner-Schaltung
0.0.1.2 ↑ Gesamtgemäldeteil: Kennlinien, speziell: Transistorkennlinien
Allgemein beschreibt eine Kennlinie eine Eigenschaft eines Objekts in Abhängigkeit von genau einem Parameter. Trägt man beispielsweise in ein Koordinatensystem nach rechts den Stückpreis und nach oben den Gewinn auf, so kann man die resultierende Kurve als Kennlinie bezeichnen.
Dabei zu beachten ist, dass man üblicherweise weder die Zeit noch von der Zeit abhängige Größen aufträgt, sondern ausschließlich von der Zeit unabhängige Parameter. Dies kann, wenn man die zeitliche Dynamik eines Systems im Blick hat, anfangs verwirrend sein.
Je nach untersuchtem Objekt kann man auch von der nach rechts aufgetragenden Größe als Input und von der nach oben aufgetragenden Größe als Output oder Reaktion sprechen.
Für uns im Kontext der Rückkopplungsschaltung nach Meißner sind Transistorkennlinien besonders wichtig. Üblicherweise geben Transistorkennlinien die Kollektorstromstärke in Abhängigkeit der Basisstromstärke an; oft wird aber auch die Basis–Emitter-Spannung als Parameter hergenommen.
An einer Kennlinie kann man den Arbeitspunkt eines Transistors, den Punkt, an dem die Transistorreaktion maximal ist, ablesen:

Ändert man die Basis–Emitter-Spannung im unteren Bereich (links), so fällt die Änderung der Kollektorstromstärke gering aus. Die gleiche Spannungsänderung in der Nähe des Arbeitspunkts (rechts) bewirkt eine wesentlich größere Transistorreaktion.
In der Praxis versucht man daher mittels geeigneter Widerstände den Arbeitspunkt zu treffen, also die Basis–Emitter-Spannung in den Bereich des Arbeitspunkts zu bringen.
Siehe auch:
Metzler, S. 444
http://de.wikipedia.org/wiki/Kennlinie
0.0.1.3 ↑ Gesamtgemäldeteil: Kondensatorentladung
Zur Einführung ins Thema "Schwingkreis" betrachteten wir die Entladung eines Kondensators über einen OHMschen Widerstand.
Ein aufgeladener Kondensator wird mit einem Widerstand leitend verbunden, ein in Reihe geschaltetes AMPÈREmeter misst den Entladestrom.

Der Entladestrom I(t) nimmt mit der Zeit exponentiall ab; zur theoretischen Erklärung setzt man eine Differentialgleichung an, welche aus der KIRCHHOFFschen Maschenregel folgt:
\begin{array}{@{}rcl} {} U_C + U_R &=& 0 \,\mathrm{V}; \\ {} \frac{Q(t)}{C} + R I(t) &=& 0 \,\mathrm{V}; \\ {} \frac{Q(t)}{C} + R \dot Q(t) &=& 0 \,\mathrm{V}; \end{array}
⇒ Q(t) = \hat Q e^{-\frac{t}{\tau}};
⇒ I(t) = \dot Q(t) = -\frac{\hat Q}{\tau} e^{-\frac{t}{\tau}};
Was passiert nun aber, wenn man in den Stromkreis seriell noch einen zweiten Kondensator der gleichen Kapazität einfügt? Aus der Maschenregel folgt:
\begin{array}{@{}rcl} {} U_{C_1} + U_{C_2} + U_R &=& 0 \,\mathrm{V}; \\ {} \frac{Q_1(t)}{C} + \frac{Q_2(t)}{C} + R I(t) &=& 0 \,\mathrm{V}; \end{array}
Die Gesamtladung ist konstant; es gilt also zusätzlich: Q_1(t) + Q_2(t) = Q_0; (Zu Beginn sei nur einer der Kondensatoren geladen, der andere leer.)
Diese Beziehung vereinfacht die Gleichung:
\begin{array}{@{}rcl} {} \frac{1}{C} Q_1(t) + \frac{1}{C}\left(Q_0 - Q_1(t)\right) + R I(t) &=& 0 \,\mathrm{V}; \\ {} \frac{Q_0}{C} + R I(t) &=& 0 \,\mathrm{V}; \\ {} I(t) &=& -\frac{Q_0}{R C}; \end{array}
Hier liegt nun anscheinend ein Fehler vor: Der hergeleiteten Gleichung zufolge ist der Strom in Richtung und Stärke konstant; einer der Kondensatoren würde sich also unbegrenzt entladen und der andere würde sich unbegrenzt aufladen.
Wo liegt der Denkfehler?
[Antwort: Das Problem liegt im Ansatz über die Ladungserhaltung – die Gesamtladung ist immer 0 \,\mathrm{As}. Man müsste übers Dipolmoment gehen (was keine Erhaltungsgröße ist), aber das liegt jenseits der Schulmathematik; enthält das elastische Element im Mechanischen Schnur?]
Siehe auch:
http://www.hcrs.at/KOND.HTMhttp://www.hcrs.at/SCHWING2.HTM
(Benötigte Zeit: 319 min)